«У него золотые руки» — так говорят о мастерах, которые из подручных материалов способны собрать чудо современной техники. Несмотря на обилие в магазинах недорогого готового оборудования, умельцы-самоучки успешно проектируют и создают бытовые приборы, агрегаты для садового участка и весьма эффективные устройства для мастерской.
Оказывается, собрать пылесос своими руками тоже можно. Главное – разобраться в конструкции, подыскать необходимые детали и выделить немного свободного времени. Предлагаем три интересные модели для самостоятельных экспериментов.
Строительный пылесос из старого бытового
Если постоянно имеешь дело с техникой, становятся понятными особенности конструкции и принципы работы.
И при необходимости уже не будешь тратить деньги на брендовый строительный пылесос, а за пару вечеров смастеришь устройство, по характеристикам не уступающее раскрученному «уборщику».
Для сравнения – популярный среди потребителей KARCHER MV3P с 17-литровым баком и мощностью потребления 1000 Вт стоит около 7 тыс. руб. Если не покупать запчасти для самоделки, а взять старые детали, пылесос получится почти бесплатным
Так поступил и автор строительной модели, работающей на основе вышедшего из строя пылесоса «Вихрь». Предлагаем познакомиться с процессом изготовления строительного пылесоса.
При изготовлении самоделки следует учесть особенности помещения и некоторые нюансы подборки и крепления отдельных элементов конструкции. Далее приведены полезные рекомендации для сборки пылесоса.
Длинный шнур питания
Доработанный пылесос
Бытовой пылесос с фильтром-самоделкой
Шланг с удобной ручкой
Пылесос с самодельным аквафильтром
Хороший фильтр для самоделки
Циклонный фильтр из пластикового ведра
Большие колеса у пылесоса
Что понадобится для переделки?
Буквально все изделия, участвующие в модернизации, уже были использованы, следовательно, не требуют затрат на приобретение. Если каких-то деталей не нашлось под рукой, их можно купить за копейки на интернет-площадке распродаж или найти на свалке.
Правда рекомендуется все-таки использовать новый фильтр – для качественной работы пылесоса, а также прикупить некоторые мелочи: розетку, детали для электроплаты, провода, крепежные элементы.
Общие расходы на закупку новых деталей составили 800 руб., причем самым дорогим элементом оказалась розетка – 350 руб. Детали для платы обошлись в 250 руб., фильтр – 200 руб.
Старый пылесос в собранном состоянии
Накопительный бак из металлической бочки
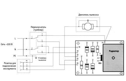
Электрическая схема пылесоса с переключателем
Воздушный фильтр для автомобиля
Кроме перечисленных деталей потребуется розетка, кусок резинового автомобильного коврика для прокладки, инструмент для работы:
В качестве крепежных элементов будут не только саморезы, но и болты, поэтому для затягивания гаек потребуются ключи нужного размера. Для подключения отдельных элементов — переключателя, электронной платы и сетевого кабеля – заранее необходимо начертить схему.
Схема подключения. Переключатель устанавливается в двух позициях: первая просто включает пылесос, вторая обеспечивает синхронное включение строительного электроинструмента с пылесосом
Для того чтобы усовершенствование старого прибора порадовало успешным результатом, нужно знать, как работает пылесос. Так домашнему мастеру будет понятней, что и с какой целью он модернизирует.
Пошаговая инструкция по изготовлению
Когда все детали будущего агрегата и инструменты подготовлены, можно приступать к сборке. Но для начала нужно соблюсти нормы техники безопасности – надеть спецодежду, рабочие перчатки.
Порядок работы:
- Шаг 1 – установка розетки. Коронкой диаметром 42 мм просверливаем отверстие в верхней части крышки. Между розеткой и корпусом кладем резиновую прокладку, вырезанную из автомобильного коврика. Для крепления используем саморезы.
- Шаг 2 – монтаж электросхемы. На крышке просверливаем маленькие отверстия под тумблер и для крепления схемы. Плата не должна касаться корпуса, поэтому ее устанавливаем на стойки, вырезанные из авторучки.
- Шаг 3 – крепление тумблера. В результате на внешней стороне крышки должны быть установлены переключатель и розетка для электроинструмента, на внутренней – электронная плата.
- Шаг 4 – присоединение кабеля питания. Кабель лучше припаять, при этом два провода – к переключателю, а третий заземляющий идет на большой крепежный винт, к которому уже подключена «земля» от розетки. Это необходимо для заземления прибора.
- Шаг 5 – фиксация фильтра. В днище пылесборника и в крышке бака вырезаем отверстия 95 мм, по окружности высверливаем отверстия для винтов, выпиливаем из фанеры заглушку, стягиваем все детали винтами. Фильтр закрепляем шпилькой на планке.
- Шаг 6 – установка всасывающего патрубка. Коронкой 57 мм высверливаем в верхней части бака отверстие. Вставляем в него заранее собранный патрубок с фланцем, который можно сконструировать из куска канализационной трубы.
- Шаг 7 – сборка пылесоса. Устанавливаем бачок для сбора мусора, закрываем его крышкой так, чтобы фильтр находился внутри. Затем присоединяем часть старого пылесоса с двигателем, стягиваем металлическим хомутом.
- Шаг 8 – подключение шланга. Вместо шланга можно использовать сантехническую гофротрубу. Вставляем ее в присоединяющий патрубок, затем включаем агрегат. Тестирование можно провести, убирая песок или опилки.
Во время тестирования нужно обратить внимание на силу всасывания и герметичность мусоросборника. Если детали будут примыкать друг к другу неплотно, мощность агрегата заметно снизится.
Результат уборки: все опилки с пола успешно переместились внутрь бака. Пол абсолютно чистый, а объема мусоросборника достаточно, чтобы еще не раз привести мастерскую в порядок
Но необходимо произвести еще одно тестирование – с электроинструментом.
Вставляем вилку электролобзика или дисковой пилы в розетку на корпусе, включаем инструмент. Вместе с ним должен автоматически заработать и пылесос.
Пылесос-циклон для мастерской
Еще один вариант строительного пылесоса, но с усложненной конструкцией. Эта замена покупной промышленной модели изготавливается из старого пылесоса, пластиковой емкости и циклонного фильтра.
Особенность кроется внутри конструкции – это металлический кожух для защиты фильтра.
Для удобства пользования самодельная модель установлена на тележку, также собранную своими руками. Благодаря такой модификации пылесос можно легко перемещать по мастерской или по двору – для уборки мусора на придомовой территории
Стоимость самоделки определяется тратами на отдельные детали. Старый, но действующий, бытовой пылесос нашелся в кладовке, пластиковый бак приобретен за 500 руб., фильтр для автомобиля «Газель» — 180 руб. Несложно подсчитать общую стоимость.
О том, как сделать циклон для пылесоса, вы узнаете из предложенной нами статьи. В ней детально описан процесс сборки.
Порядок сборки:
Шаг 1 – подготовка деталей и инструментов
Шаг 2 – шпилька для крепления фильтра к крышке
Шаг 3 – подключение шланга к бачку
Шаг 4 – монтаж патрубка для всасывающего шланга
Шаг 5 – защитный кожух для фильтра
Шаг 6 – обечайка для придания жесткости
Шаг 7 – тележка из листа фанеры
Шаг 8 – общая сборка строительной модели
Для проверки функционирования самодельного агрегата осталось подключиться к электропитанию. Мощность всасывания агрегата должна быть такой же, как у старого пылесоса, если двигатель сохранил свои рабочие качества.
Если нет старого пылесоса, можно купить б/у модель по объявлению – торговые интернет-порталы предлагают множество вариантов. Скорее всего, устаревший прибор обойдется не дороже 1 тыс. руб.
С рейтингом циклонных пылесосов промышленного производства ознакомит следующая статья, прочитать которую стоит и домашним мастерам, и будущим покупателям.
Портативный «уборщик» своими руками
В качестве эксперимента можно собрать миниатюрный пылесос, который пригодится для уборки крошек, пыли или мусора со стола, полок, подоконников.
Необходимые для работы инструменты и материалы: строительный нож, ручной лобзик, клеевой пистолет, термоклей, маркер, циркуль.
Шаг 1 – подготовка деталей
Шаг 2 – разрезаем бутылку на части
Шаг 3 – отрезаем верхние части у банок
Шаг 4 – патрубки из шприцов
Шаг 5 – сборка циклонной части пылесоса
Шаг 6 – корпус компрессора
Шаг 7 – монтаж двигателя на крышку
Шаг 8 – крыльчатка из диска
Изготавливая все комплектующие, необходимо подгонять детали по размерам, чтобы не было зазоров после приклеивания – для хорошего всасывания необходима герметичность.
Для крепления вентилятора нужно отрезать кусочек шприца с центральным расположением иглы и приклеить его в центре стороны, противоположной той, где установлены лопасти.
Шаг 9 – монтаж крыльчатки
Шаг 10 – отверстия в компрессоре
Шаг 11 – пылесборник из большой баночки
Шаг 12 – конструкция в сборе
Чтобы проверить работу прибора, насыпаем на стол крошки, обрывки бумаги, крупу. При включении шланг начинает засасывать мусор, который попадает в нижнюю банку – пылесборник.
Чтобы очистить ее, нужно отсоединить циклонную часть – по сути, выкрутить бутылку из пробки, а затем просто снять крышку.
Выводы и полезное видео по теме
Еще один вариант мини-пылесоса:
Особенности сборки и эксплуатации самоделок:
Отличная замена брендовой модели из пластиковых ведер и сантехнических труб:
Как видите, сделать самостоятельно мощный строительный агрегат или мини-пылесос не так уж и сложно. Главное – набраться терпения, изучить все этапы изготовления и найти немного свободного времени для домашнего эксперимента. А приборы, как доказала практика, полностью справляются со своими функциями.
Пишите, пожалуйста, комментарии в расположенном ниже блоке. Задавайте вопросы по неясным и спорным моментам, публикуйте фото по теме статьи. Расскажите о том, как собирали или модернизировали пылесос собственными руками, не исключено, что ваши советы пригодятся посетителям сайта.



































