Оконные ручки с замком и ключом — это важный элемент оконной конструкции, который обеспечивает защиту и безопасность вашего дома. Такие ручки позволяют пользователю контролировать открывание и закрывание окна, а также предотвращают несанкционированный доступ извне.
Одним из главных нюансов конструкции оконной ручки с замком и ключом является встроенность замка в саму ручку. Такая конструкция делает ручку компактной и эстетичной, и в то же время обеспечивает полную функциональность замка. Благодаря этому, оконные ручки с замком и ключом легко вписываются в общий дизайн окон и не портят внешний вид фасада здания.
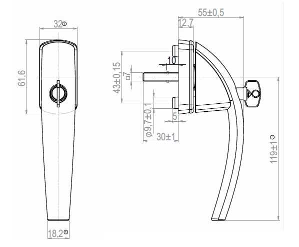
Установка оконной ручки с замком и ключом не вызывает особых сложностей. Как правило, оконные ручки с замком и ключом поставляются в комплекте с оконной системой. Они монтируются на оконный профиль с помощью специальных крепежных элементов, которые обеспечивают надежную фиксацию ручки. Перед установкой ручки рекомендуется проконсультироваться с профессионалами, чтобы избежать ошибок и обеспечить правильную работу ручки с замком и ключом.
Оконная ручка со замком: важные детали
Оконные ручки со замком – это удобный и безопасный способ обеспечить дополнительную защиту для вашего окна. Замок, встроенный в ручку, позволяет надежно закрыть окно и предотвратить несанкционированный доступ.
Преимущества оконных ручек со замком
Безопасность: Оконные ручки со замком обеспечивают дополнительную защиту от взлома. Замок предотвращает открытие окна извне и делает его более устойчивым к проникновению. Удобство использования: Ручка со встроенным замком позволяет открывать и закрывать окно одним движением. Не нужно искать отдельный замок и терять время на его установку. Эстетика: Оконные ручки со замком имеют элегантный и современный дизайн, который выгодно дополняет интерьер комнаты. Вы можете выбрать ручку, соответствующую стилю окна и общему стилю помещения.
Как использовать и установить оконную ручку со замком
Установка оконной ручки со замком производится вместо стандартной оконной ручки. Для этого необходимо:
- Слегка открыть окно, чтобы получить доступ к внутренней части ручки. Открутить гаечный штифт или винт, крепящий ручку к створке окна. Снять старую ручку и заменить ее на новую, учитывая направление открывания окна. Закрепить новую ручку на месте с помощью гаечного штифта или винта. Проверьте работу ручки и замка, убедитесь в их надежной фиксации и плавном движении.
Пользуясь оконной ручкой со замком, следует помнить о необходимости регулярного ухода и технического обслуживания. Регулярно проверяйте работу замка и смазывайте его, если это необходимо. Гарантированное качество оконных ручек со замком обеспечит долгий срок службы и безопасность вашего окна.
Выбор идеального замка для оконной ручки
Выбор подходящего замка для оконной ручки является важным шагом для обеспечения безопасности и комфорта в вашем доме. При выборе замка следует учесть несколько факторов, которые помогут вам сделать правильный выбор.
1. Размеры и тип окна
Перед выбором замка необходимо определиться с размерами и типом окна. В зависимости от типа окна (пластиковое, деревянное, алюминиевое) могут использоваться различные замки. Также важно знать размеры оконной створки, чтобы выбрать замок, который будет идеально подходить к вашим окнам.
2. Уровень безопасности
Следующим важным фактором является уровень безопасности, который вы ожидаете от замка. Некоторые замки имеют дополнительные функции, такие как защита от взломов или пожарная безопасность. При выборе замка стоит обратить внимание на его характеристики и функции, чтобы выбрать замок, который лучше всего подходит для ваших потребностей в безопасности.
3. Тип замка
Существует несколько типов замков, которые могут использоваться на окнах. Один из наиболее распространенных типов — это замок с ключом. Он обычно имеет механизм вращения ручки с помощью ключа для открытия и закрытия окна. Также есть замки с кодовым механизмом, которые требуют ввода специального кода для открытия окна. Выбор типа замка зависит от ваших предпочтений и уровня безопасности, которого вы желаете достичь.
4. Качество и надежность
Не стоит забывать о качестве и надежности замка. Важно выбрать замок от надежного производителя, который изготавливает продукцию высокого качества. Посмотрите отзывы и рейтинги производителя, чтобы убедиться, что вы выбираете надежный и качественный замок.
5. Цена
Наконец, важным фактором при выборе замка является его цена. Замки могут иметь разные ценовые категории, в зависимости от их характеристик и функций. Установите бюджет заранее и выберите замок, который подходит под ваши финансовые возможности.
Выводя все эти факторы на весы, вы сможете выбрать идеальный замок для вашей оконной ручки, который обеспечит безопасность и удобство в вашем доме.
Функциональные особенности оконной ручки с замком
Оконная ручка с замком – это функциональный элемент оконной конструкции, который позволяет открывать и закрывать окно, а также обеспечивает дополнительную защиту от проникновения в помещение. Вот несколько функциональных особенностей оконной ручки с замком:
- Замок с ключом. Одной из главных особенностей оконной ручки с замком является наличие замка с ключом. Это позволяет закрыть окно на ключ, предотвращая несанкционированный доступ в помещение и обеспечивая дополнительную защиту от проникновения. Удобная конструкция. Оконные ручки с замками обычно имеют эргономичную форму, что обеспечивает удобство использования. Они легко нажимаются пальцами, что позволяет открывать и закрывать окно без особых усилий. Возможность регулировки открытия окна. Некоторые модели оконных ручек с замками обладают функцией регулировки открытия окна. Это позволяет установить определенное положение окна, например, для проветривания, не открывая его полностью. Надежность и прочность. Оконные ручки с замками обычно изготавливаются из прочных материалов, таких как металл или пластик, что гарантирует их долговечность и надежность. Они выдерживают значительные нагрузки и не подвержены износу в процессе эксплуатации оконной конструкции.
Благодаря своим функциональным особенностям оконная ручка с замком является не только удобным элементом, но и надежной защитой для окна и помещения от проникновения.
Установка оконной ручки с замком: проверенное решение
Установка оконной ручки с замком может быть сложной задачей для непрофессионалов, но с нашим проверенным решением вы сможете справиться самостоятельно. Следуйте этим простым шагам и вы установите оконную ручку с замком без особых проблем.
Шаг 1: Подготовка материалов и инструментов
Перед установкой оконной ручки с замком, вам понадобятся следующие материалы и инструменты:
Оконная ручка с замком (предпочтительно выбрать качественный товар от надежного производителя) Отвертка или шестигранник (в зависимости от типа крепления) Маркер или карандаш Линейка или измерительная лента
Шаг 2: Определение места установки ручки
Отметьте место, на котором будет установлена оконная ручка с замком. Учитывайте удобство использования и безопасность при выборе места.
Шаг 3: Открепление старой ручки (при необходимости)
Если у вас уже есть старая оконная ручка, вам необходимо открепить ее перед установкой новой. Воспользуйтесь отверткой или шестигранником в зависимости от типа крепления ручки и аккуратно отверните крепления.
Шаг 4: Проверка размеров и расстояний
Перед фиксацией новой ручки, убедитесь, что она соответствует размерам и расстояниям вашего окна. Используйте линейку или измерительную ленту для проверки.
Шаг 5: Установка новой ручки
Приступайте к установке новой оконной ручки с замком. Вставьте ручку в отверстие на окне и используя отвертку или шестигранник, аккуратно закрепите ее на месте и проверьте надежность крепления.
Шаг 6: Проверка работы ручки и замка
После установки ручки с замком, убедитесь, что она работает корректно. Открывайте и закрывайте окно, проверяйте работу замка и убедитесь, что все функции работают без сбоев.
Шаг 7: Завершение установки
После успешной установки оконной ручки с замком, проверьте ее еще раз на прочность и правильное функционирование. Затем, полностью закройте окно и проверьте, что ручка не мешает закрытию и герметичности окна.
Теперь вы знаете, как установить оконную ручку с замком. Следуя этим простым шагам, вы сможете справиться с данной задачей самостоятельно и обеспечить безопасность и комфорт при использовании окна.
Как правильно установить оконную ручку с замком
Установка оконной ручки с замком является важной и необходимой операцией для обеспечения безопасности вашего жилья. Ниже приводятся основные шаги по правильной установке оконной ручки с замком.
Шаг 1: Подготовка инструментов
Перед началом установки оконной ручки с замком вам понадобятся следующие инструменты:
Отвертка Дрель с диаметром сверла, соответствующим размеру отверстия в оконном профиле Ключ для замка (если у ручки есть замок)
Шаг 2: Откройте окно и подготовьте рабочую площадку
Откройте окно полностью, чтобы получить доступ ко всем его элементам. Убедитесь, что рабочая площадка хорошо освещена и достаточно просторна.
Шаг 3: Удалите старую ручку (если присутствует)
Используя отвертку, удалите старую ручку, если она у вас уже установлена на окне. Обычно это делается путем откручивания двух крепежных винтов на внутренней или внешней стороне окна.
Шаг 4: Подготовьте отверстие для новой ручки
Используя дрель с соответствующим диаметром сверла, просверлите отверстие в оконном профиле для установки новой ручки. Отверстие должно быть достаточно глубоким, чтобы ручка могла полностью войти в профиль.
Шаг 5: Установите новую ручку
Вставьте ручку в отверстие в оконном профиле и заверните крепежные винты, чтобы закрепить ручку в профиле. Убедитесь, что ручка надежно закреплена и не двигается.
Шаг 6: Установите замок (если присутствует)
Если у вашей оконной ручки есть замок, установите его согласно инструкциям производителя. Вставьте ключ в замок и убедитесь, что замок надежно закрывается и открывается.
Шаг 7: Проверьте работу ручки и замка
После установки ручки с замком проверьте их работу. Убедитесь, что ручка легко поворачивается и замок надежно закрывается и открывается. Также проверьте, что окно надежно закрывается и не дымится.
Следуя этим шагам, вы сможете правильно установить оконную ручку с замком и обеспечить безопасность вашего дома или квартиры.
Необходимые инструменты для установки оконной ручки с замком
Установка оконной ручки с замком может быть процессом, который требует определенных инструментов и навыков. Ниже приведены необходимые инструменты, которые вам могут потребоваться для установки оконной ручки с замком:
1. Отвертка
Отвертка необходима для откручивания и закручивания винтов на оконном профиле. Выберите отвертку, подходящую для размера винтов на вашем окне.
2. Замерный инструмент
Перед установкой оконной ручки с замком важно правильно замерить расстояние между отверстиями для ручки на оконном профиле. Для этого вам понадобится замерный инструмент, например, линейка или измерительный шнурок.
3. Дрель
Дрель может потребоваться, если на оконном профиле отсутствуют отверстия для установки ручки с замком. В этом случае вам придется сверлить отверстия с помощью дрели.
4. Ударная дрель (опционально)
Если ваш оконный профиль сделан из более твердого материала, такого как металл или железобетон, вам придется использовать ударную дрель для сверления отверстий.
5. Отвертка с отверткой
Отвертка с отверткой может потребоваться для откручивания и закручивания винтов ручки с замком.
6. Отвертка с отверткой
Плоскогубцы пригодятся для поддержания оконной ручки в нужном положении во время установки и закручивания винтов.
7. Пылесос (опционально)
Установка оконной ручки с замком может создавать небольшие стружки или пыль. При наличии пылесоса вы сможете легко и быстро очистить область от пыли и обрезков.
8. Герметик (опционально)
Герметик может использоваться для улучшения герметичности окна и предотвращения проникновения влаги или воздуха через оконные профили.
Помимо указанных инструментов, также могут потребоваться другие принадлежности, в зависимости от типа оконной ручки с замком и особенностей вашего окна. Важно тщательно изучить инструкцию по установке оконной ручки и убедиться, что у вас есть все необходимые инструменты перед началом работы.
Плюсы и минусы оконной ручки с замком и ключом
Плюсы:
Дополнительная защита от несанкционированного доступа к помещению через окно. Возможность установки и использования ограничителя открытия окна снаружи помещения. Удобный способ осуществления контроля доступа в помещение с использованием ключа.
Минусы:
Дополнительные расходы на покупку и установку оконной ручки с замком и ключом. Ограничение в использовании окна в случае утери ключа или необходимости его копирования. Необходимость осуществлять обслуживание ручки и замка для поддержания их функциональности.
Преимущества использования оконной ручки с замком и ключом
Оконные ручки с замком и ключом предлагают целый ряд преимуществ для безопасности, комфорта и удобства использования окон. Вот несколько основных преимуществ:
Безопасность:
Ручка с замком и ключом обеспечивает дополнительную защиту от несанкционированного доступа в помещение через окно. Замок можно запереть, когда окно закрыто, и только владелец ключа сможет его открыть. Это особенно важно для окон на первых этажах или в квартирах с наземным доступом.
Контроль вентиляции:
Ручка с замком и ключом позволяет легко контролировать вентиляцию в помещении. Если вы хотите оставить окно наклонным для циркуляции воздуха, но при этом сохранить безопасность, можно закрыть окно на задвижке и закрепить его с помощью замка. Это позволит поддерживать свежий воздух в комнате, не открывая окно на полную ширину.
Удобство использования:
Оконная ручка с замком и ключом обычно имеет эргономичный дизайн и легко устанавливается на раму окна. Это предоставляет удобство использования, так как можно легко открыть и закрыть окно, а также запереть его, когда это необходимо.
Защита от посторонних шумов:
Ручка с замком и ключом помогает уменьшить проникновение посторонних звуков и шумов извне. Закрыв окно на задвижку и закрепив его с помощью замка, можно снизить шум от уличных транспортных средств, прохожих или других источников шума.
Дополнительная защита от взлома:
Ручка с замком и ключом усиливает безопасность окна, так как её наличие может отпугивать потенциальных взломщиков. Они знают, что окно с такой ручкой будет более сложно открыть без ключа, что повышает уровень защиты вашего дома.
Использование оконной ручки с замком и ключом имеет множество преимуществ, которые можно воспользоваться для обеспечения безопасности, контроля вентиляции и удобства при использовании окон.
В каких случаях стоит отказаться от оконной ручки с замком и ключом
Оконные ручки с замком и ключом предоставляют дополнительную защиту от несанкционированного доступа к помещению через окно. Однако, в некоторых случаях, использование таких ручек может быть нецелесообразно.
1. Отсутствие несанкционированного доступа
Если окно находится в недоступном для посторонних месте, например, на высоком этаже или во дворе дома, где сложно подобраться, то вероятность несанкционированного доступа через окно снижается. В таком случае, использование оконной ручки с замком и ключом может показаться излишней мерой.
2. Низкая вероятность взлома окна
Если окно имеет надежную конструкцию и высокое сопротивление к взлому, то вероятность успешного проникновения через окно становится незначительной. В этом случае, дополнительное использование оконной ручки с замком и ключом может нести лишние затраты и не давать значимого уровня безопасности.
3. Отсутствие дорогостоящих ценностей
Если в помещении отсутствуют ценности или дорогостоящее имущество, которые могут привлечь внимание воров, то использование оконной ручки с замком и ключом может быть излишним. В этом случае, лучше ориентироваться на другие меры безопасности, такие как установка сигнализации или видеонаблюдения.
4. Дополнительный источник проблем
Использование оконной ручки с замком и ключом может стать дополнительным источником проблем, особенно в случае утери или поломки ключа. В таких ситуациях может потребоваться вызов специалиста для восстановления доступа или замены ручки, что связано с дополнительными расходами и неудобствами.
| Ситуация | Решение |
|---|---|
| Отсутствие несанкционированного доступа | Отказаться от использования оконной ручки с замком и ключом |
| Низкая вероятность взлома окна | Отказаться от использования оконной ручки с замком и ключом |
| Отсутствие дорогостоящих ценностей | Отказаться от использования оконной ручки с замком и ключом |
| Дополнительный источник проблем | Отказаться от использования оконной ручки с замком и ключом |
В целом, решение использовать или отказаться от оконной ручки с замком и ключом должно основываться на оценке конкретной ситуации и уровне безопасности помещения. При сомнениях, рекомендуется получить консультацию специалиста по вопросам безопасности и выбрать наиболее подходящее решение.
Материалы и дизайн оконной ручки с замком и ключом: богатство выбора
При выборе оконной ручки с замком и ключом, важно учесть материал изготовления и дизайн, которые могут существенно влиять на внешний вид и функциональность окна. Современный рынок предлагает широкий выбор материалов и дизайнов, чтобы удовлетворить различные вкусы и потребности покупателей.
1. Материалы оконной ручки
Среди наиболее используемых материалов для изготовления оконных ручек с замком и ключом можно выделить:
Металл: оконные ручки из нержавеющей стали или латуни обладают высокой прочностью и долговечностью. Они часто используются в современных интерьерах и придадут окну элегантный и стильный вид. Дерево: оконные ручки из натурального дерева позволяют создать теплую и уютную атмосферу в помещении. Этот материал обладает естественной красотой и придаст окну натуральный и эксклюзивный вид. Пластик: оконные ручки из пластика легкие, прочные и удобные в использовании. Благодаря широкому выбору цветов и текстур, они позволяют легко интегрироваться с любым стилем интерьера. Керамика: оконные ручки из керамики имеют уникальный дизайн и высокую прочность. Они добавят изысканности и оригинальности в интерьер.
2. Дизайн оконной ручки
Помимо выбора материала, для создания уникального стиля окна можно также обратить внимание на дизайн оконной ручки:
Классический дизайн: простые и элегантные формы ручек в сочетании с материалами высокого качества и обработкой поверхности создают стильный и изысканный вид окна. Современный дизайн: гладкие линии, минималистический дизайн и использование современных материалов придают окну современный и современный вид. Ретро-дизайн: оконные ручки в ретро-стиле добавят шарма и уникальности в интерьер. Они могут быть выполнены в виде старинных ключей, замков или иметь изысканные резные узоры.
Выбор материала и дизайна оконной ручки с замком и ключом зависит от стиля интерьера, ваших предпочтений и бюджета. Важно учесть, что оконная ручка не только является функциональным элементом, но и важной деталью, которая может подчеркнуть стиль и характер вашего окна.
Популярные материалы для изготовления оконных ручек с замком и ключом
Оконные ручки с замком и ключом являются неотъемлемой частью современных оконных систем. Они обеспечивают надежную защиту от несанкционированного доступа и позволяют контролировать открытие и закрытие окна.
Для изготовления оконных ручек с замком и ключом используются различные материалы, каждый из которых имеет свои преимущества и особенности.
Металл
Металлические оконные ручки с замком и ключом являются наиболее популярным выбором благодаря своей прочности и долговечности. Они могут быть изготовлены из различных металлических сплавов, таких как латунь, нержавеющая сталь или алюминий. Металлические ручки могут иметь различные отделки, такие как полировка, матовая поверхность или покрытие под дерево.
Пластик
Пластиковые оконные ручки с замком и ключом широко распространены благодаря своей низкой стоимости и разнообразию цветовых вариантов. Они могут быть изготовлены из высококачественного пластика, который обладает хорошей устойчивостью к воздействию влаги и УФ-излучению. Пластиковые ручки также легко чистятся и не подвержены коррозии.
Дерево
Деревянные оконные ручки с замком и ключом придают окну натуральный и элегантный вид. Они могут быть изготовлены из различных пород дерева, таких как дуб, сосна, бук и другие. Деревянные ручки могут быть покрыты лаком или маслом для защиты от влаги и повышения их долговечности.
Комбинированные материалы
Оконные ручки с замком и ключом также могут быть изготовлены из комбинированных материалов, таких как металл с пластиком или деревом. Это позволяет сочетать преимущества разных материалов и создавать уникальный дизайн оконных ручек.
| Материал | Преимущества | Недостатки |
|---|---|---|
| Металл | Прочность, долговечность, разнообразие отделок | Может быть холодным на ощупь |
| Пластик | Низкая стоимость, разнообразие цветовых вариантов, устойчивость к воде и УФ-излучению | Может быть менее прочным и долговечным |
| Дерево | Натуральный и элегантный вид, возможность выбора различных пород дерева | Требуется регулярный уход и защита от влаги |
| Комбинированные материалы | Сочетание преимуществ разных материалов, уникальный дизайн | Может быть более дорогим вариантом |
Разнообразие дизайна оконной ручки с замком и ключом
Оконная ручка с замком и ключом представляет собой важный элемент оконной конструкции, который обеспечивает безопасность и защиту помещения от проникновения внешних лиц. Однако, помимо своей функциональности, оконная ручка также является важным дизайнерским элементом, который может внести особую изюминку в интерьер помещения.
Современный рынок предлагает широкие возможности выбора оконных ручек с замком и ключом, которые отличаются разнообразием дизайна и материалов. Вот некоторые из наиболее популярных вариантов:
1. Классический стиль
Оконные ручки в классическом стиле имеют изящные формы и часто выполнены из металла с элементами декора, такими как гравировка или резьба. Этот стиль отлично впишется в помещения с традиционным интерьером.
2. Минималистичный стиль
Для современных интерьеров подойдут оконные ручки в минималистичном стиле, которые отличаются лаконичным дизайном и простыми геометрическими формами. Чаще всего они изготавливаются из нержавеющей стали или алюминия.
3. Рустик или загородный стиль
Ручки в рустик или загородном стиле создают атмосферу уюта и природной привлекательности. Они могут быть выполнены из дерева, рога или другого естественного материала и иметь резные или ручную отделку.
4. Стеклянный стиль
Стеклянные оконные ручки становятся все более популярными. Они могут быть выполнены из прозрачного стекла или иметь различные оттенки и тонировку. Такие ручки добавляют легкости и элегантности интерьеру.
5. Фантазийный стиль
Для тех, кто любит необычные решения и оригинальный дизайн, существуют оконные ручки в фантазийном стиле. Они могут иметь необычные формы, нестандартные цвета или декоративные элементы, например, кристаллы или жемчуг.
Помимо разнообразия дизайна, оконные ручки с замком и ключом также отличаются по методу установки, типу замка и материалу изготовления. При выборе оконной ручки необходимо учитывать соответствие ее дизайна общему стилю интерьера и функциональные требования к безопасности и удобству использования.
Вопрос-ответ:
Какой материал лучше всего использовать при изготовлении оконной ручки с замком и ключом?
Наиболее распространенными материалами, которые используются при изготовлении оконных ручек с замком и ключом, являются металл и пластик. Оба материала имеют свои преимущества и недостатки. Например, металлические ручки прочны и долговечны, но они могут быть более тяжелыми и дорогими. Пластиковые ручки легче и дешевле, но они могут быть менее прочными и быстрее изнашиваться. При выборе материала следует учитывать индивидуальные предпочтения и условия эксплуатации окон.
Видео:
Ручка с ключом и кнопкой для пластикового окна.
Источник: allremont59.ru







