Подробные чертежи универсального станка трубогиб под круглую и профильную трубы, также фото пошагового изготовления.
Всем привет, продолжаю творить и изобретать. Пусть и не новые конструкции, но мои и с чертежами для всех.
Трубогиб чертежи
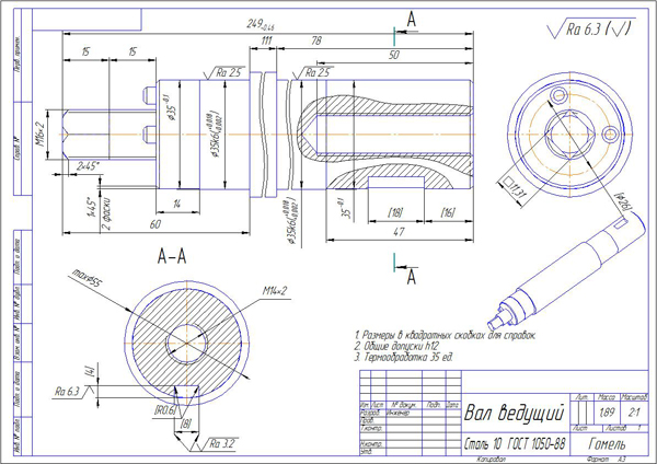
Вал ведущий
Шпонка
Ведущий вал
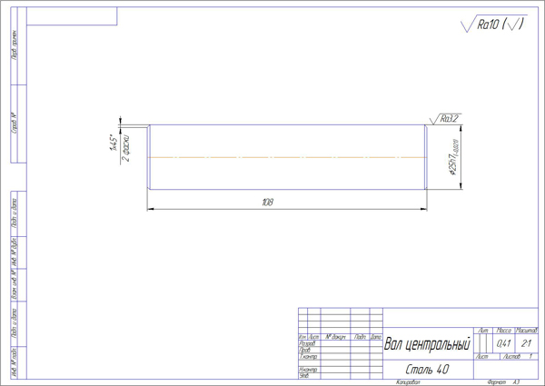
Центральный вал
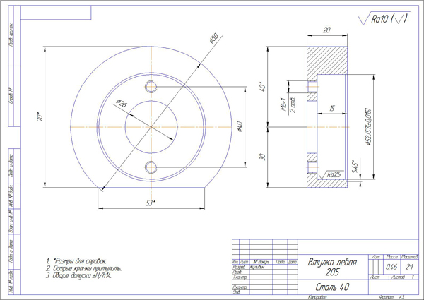
Втулка левая
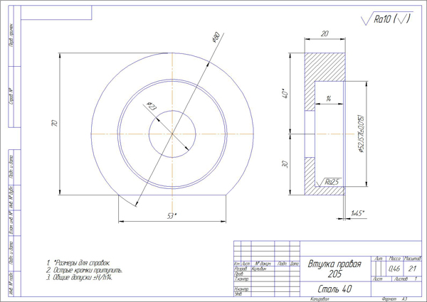
Втулка правая
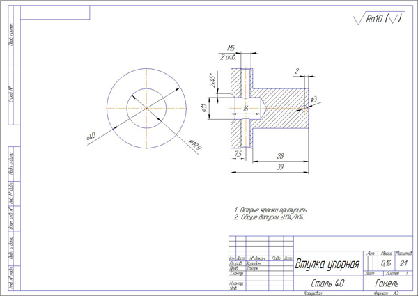
Упорная втулка
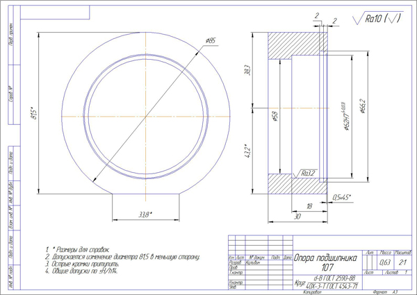
Опора подшипника
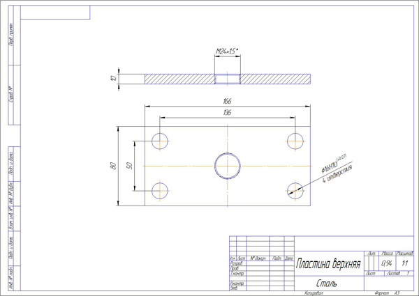
Пластина верхняя
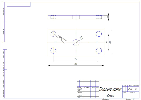
Пластина нижняя
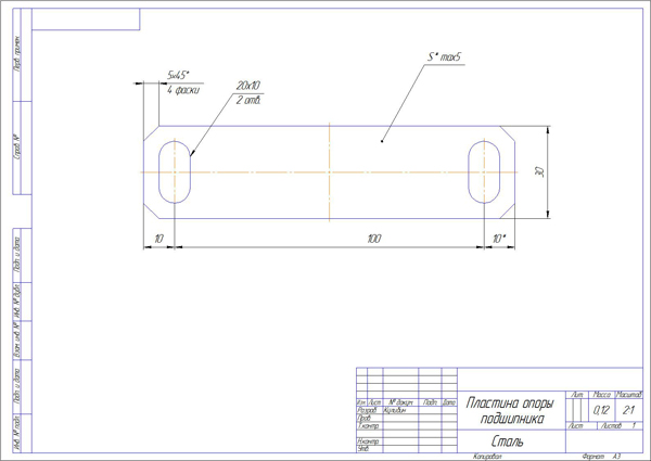
Пластина опоры подшипника
Ролик для профильной трубы
Ролик
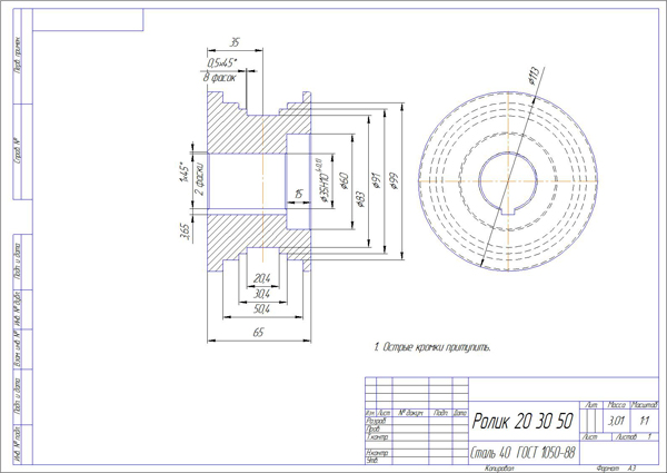
Ролик круглой трубы
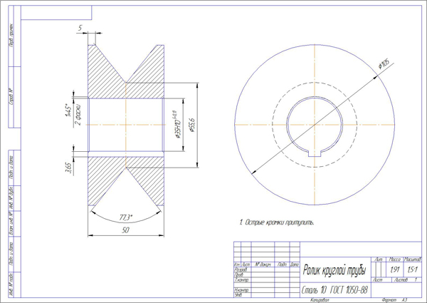
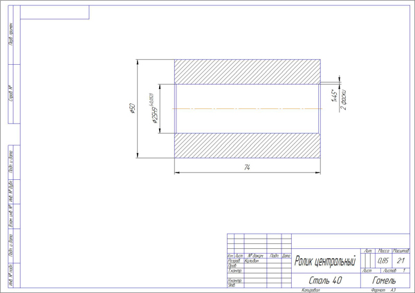
Ролик центральный конусный
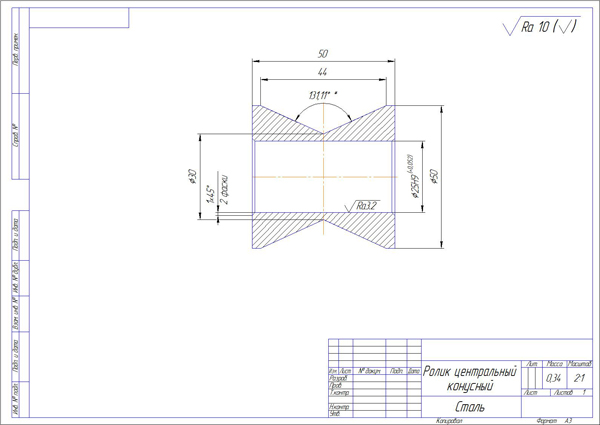
Ролик центральный
Сборка станка трубогиб
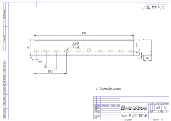
Швеллер продольный
Делаем станок трубогиб своими руками
Для изготовления потребовалось: четыре убитых амортизатора, цепь и звёзды ГРМ от ВАЗ, винт непонятно от чего, 8 подшипников четыре 107-го, два 205-го, один 301 и упорный 8204Н 20х40х14. Мне получилось всё очень бюджетно, ко всему есть доступ.
Основание делал из швеллера 40х80. Изначально всё основание проектировал на них, но в закромах осталось только два куска. Поэтому добавил трубу 40х60, которая осталась от крана-укосины.
Штоки и направляющие для них брал с амортизаторов от газели. При разборке они будут внутри. Втулки амортизаторов чугунные, поэтому их не варил, а просто запрессовал в пластину. Верх штока закрутил на существующие гайки, а низ приварил.
Валы и ролики термообработал. Ролики для круглых труб справа и профильных слева.
Сборка центрального вала. Приваривается к нижней пластине.
Собранные корпуса валов.
Звёздочку натяжителя пришлось расточить под 301 подшипник.
Сборка винтовой пары.
Сборка рамы. Просверлил отверстия под штоки и приварил с внутренней стороны.09
Изготавливаем все детальки, варим, красим и собираем. Гнём круглую трубу.
Гнём прямоугольную трубу 20х40. Вал вынят для смены ролика!
Для запоминания радиуса гибки, на винт ставится ещё одна гайка, которая фиксируется в нужном положении.
Видео: самодельный станок для гибки труб
Автор: Денис Янчик. г.Гомель. Беларусь.
Источник: sam-stroitel.com
































