Бренд «Ресанта» имеет прибалтийское происхождение — фирма зарегистрирована в Латвии. Заводы, что стало уже привычным, находятся в Китае. На Российский рынок поставляются сварочные инверторы нескольких линеек:
- Полуавтоматы Ресанта САИПА.
- Сварочные инверторы Ресанта САИ.
- Инверторы, работающие на пониженном напряжении САИ ПН.
- Агрегаты с функцией аргонно-дуговой сварки САИ АД.
- Профессиональная линейка с регулируемой дугой САИ ПРОФ.
- Линейка «Компакт» — САИ-К.
- Инверторный плазменный резак — ИПР.
- Инверторная сварка, работающая от 380 В — САИ 315.
Так выглядит сварочный инвертор работающий при пониженном напряжении ресанта саи-250 пн. Об этом оборудовании отзывы в основном положительные
Продукция, по отзывам, в общем, неплохая, со своими плюсами и минусами. Если вам нужен сварочный аппарат для домашнего применения, «Ресанта» вполне достойный выбор. Как говорят профи: дуга у него не такая тяжелая, как у других марок из той же ценовой категории. Вот только качество нестабильное: у кого-то при постоянной нагрузке (в цехах и на производстве) работает годами, а кто-то каждые две-три недели (тоже на производстве) возит в ремонт. Только производства и сварщики бывают разные. А от тех, кто эксплуатирует сварочные инверторы «Ресанта» в бытовых целях — в частном доме, в сельской местности, в гараже, — от тех отзываются о работе агрегатов положительно.
Рабочий режим сварочных аппаратов любой линейки — 70% на 30%. Что значит, что при работе на 140 А из 10 минут варить/резать вы можете 7, а 3 придется отдыхать — ждать, пока аппарат остынет. Соотношение не самое плохое и режим, в общем, удобный.
Как выбрать сварочный аппарат «Ресанта»
Для бытового использования имеет смысл выбрать агрегат из двух линеек — САИ и САИ ПН.
Ресанта САИ — стандартная модификация, которая работает при 220 V в сети с небольшими отклонениями. Заявлен такой диапазон: +10% (до 242 В) и -30% (от 154 В). Вроде и должно хватать таких характеристик, но реально работает нормально при 190 В. Если падает еще ниже, начинаются проблемы и приходится ставить электроды меньшего диаметра.
В сельской местности напряжение часто бывает и ниже 190 В. При таких параметрах сети нормально работать могут далеко не все сварочные аппараты. Если у вас такая ситуация — вам выбирать нужно инвертор из линейки САИ ПН. Он нормально сваривает даже при 140-160 В.
Есть еще одна линейка — «Компакт». Она отличается еще меньшими размерами и на килограмм-полтора меньше весит. При обозначении моделей этой линейки к цифре, обозначающей максимальный сварочный ток, приписывается буква «К». Если вес и размер для вас критичны — выбирайте сварочный инвертор из этой линейки.
Все остальные больше подходят для профессионального или полупрофессионального использования. Для бытового использования их «навороты» и повышенные мощности ни к чему. Если и можно их покупать, то уже не новичкам в сварке.
Выбор модели
После того как с линейкой определились, нужно выбрать максимальный сварочный ток. Он проставляется в наименовании каждой модели после аббревиатуры САИ. Например, САИ-160 — максимальный сварочный ток 160 А, САИ-220 — может выдавать 220 А.
Как выбирать мощность? Исходя из работ, для которых приобретается, или под тот размер электрода, которым вы предпочитаете работать. Например, для работы 3-миллиметровыми электродами подходят аппараты на 140 и 160 ампер. Но 140 будет работать на пределе, а 160 — в нормальном режиме. Также можно рассмотреть вопрос приобретения 190-го, но он уже может работать и 4-миллиметровыми электродами. А запас мощности — это всегда хорошо. Правда, за него приходится доплачивать.
Более мощные модели САИ 220 и 250 могут работать с электродами 5 мм и 6 мм соответственно. Если вам такие мощности не нужны, то и платить за них незачем. Но выбирать, как всегда, вам. Может вы предпочитаете работать 3 мм электродом но с повышенным током сварки — 190 и выше… Редко, но встречаются и такие сварщики.
Чтобы выбирать было проще, в таблице собрали наиболее важные характеристики сварочных инверторов Ресанта линейки САИ и САИ ПН, и САИ К.
Технические характеристики сварочных инверторов Ресанта САИ и САИ ПН, САИ К
| САИ-140 | 20 | 75 | 25 | 3,2 | 4,3 | 110 $ |
| САИ-160 | 22 | 80 | 26 | 4 | 4,5 | 120 $ |
| САИ-190 | 25 | 80 | 27 | 5 | 4,7 | 155$ |
| САИ-220 | 30 | 80 | 28 | 5 | 5 | 180$ |
| САИ-250 | 35 | 80 | 29 | 6 | 5,2 | 220$ |
| САИ-60ПН | 22 | 80 | 26 | 4 | 5,7 | 170$ |
| САИ-220ПН | 25 | 80 | 27 | 5 | 6,4 | 200$ |
| САИ-250ПН | 35 | 80 | 29 | 6 | 7,7 | 250$ |
| САИ-160К | 28,5 | 85 | 4 | 3,4 | 130$ | |
| САИ-190К | 32,5 | 80 | 5 | 4,3 | 155$ | |
| САИ-220К | 36,5 | 80 | 5 | 4,5 | 180$ | |
| САИ-250К | 42,5 | 80 | 6 | 4,6 | 210$ |
Электропитание инверторов Ресанта
Главный плюс этих сварочных аппаратов в том, что они работают от бытовой электросети 220 В, не предъявляя особых требований. Главное — чтобы розетка была заземлена. Класс защиты у всех агрегатов IP 21, что означает, что заземляется аппарат через шнур электропитания. Потому для защиты о поражения электричеством необходимо запитывать инвертор от заземленной розетки.
Работают нормально САИ-160 на автоматах 10-16 А, но на десятиамперных максимальный ток сварки не поставишь. Если планируете работать САИ 190, нужен будет, как минимум, автомат на 16 А.
Отзывы
Все отзывы об инверторных сварочных аппаратах Ресанта можно условно разделить: до 2012 года и после. До 12 года все отзывы очень хорошие, причем не от новичков, а тех, кто использует сварку в профессиональной деятельности. Дальше — хуже. В 2012 цена на эти аппараты значительно упала — почти вдвое. Вроде хорошо, но, как оказалось, качество тоже значительно снизилось. После этой даты отзывы есть разные, хотя положительные все-таки преобладают.
В нашем цеху Ресанта 250 (САИ), год отработала каждый день, пока ей кто-то ноги не приделал. К работе нареканий не было, только кабели коротковаты. Потому купили новую такую же. Эта через 3 месяца просто в один момент варить перестала. В сервисе вопросов не задавали, просто отремонтировали и все. Сейчас все нормально, работаем по-взрослому. Кроме кабелей никаких нареканий.
Виталий, Кинешма, 2013г
Я технолог, и на мне закупка инструмента. Нужен был инвертор для сварщиков — работали трансформатором, так что решил не покупать пока дорогой, вдруг не пойдет у них, вот и купил «Ресанта САИ 250». За два года плотной работы ни одной проблемы. Трансформатор теперь стоит, а этот всегда занят. Варят на нем и спецы, и те, что только видели, как нормально работать нужно. Ничего, пашет. Говорят, с «Ресантой» — лотерея. Мы, похоже, вытянули хороший билет. Только заменили сварные кабели — поставили 10-метровые сечением 25 мм2: прежние пятиметровые были неудобны.
Николай, Санкт-Петербург
Отремонтировал уже четвертый раз… «Ресанта 220» у меня. Всех предыдущих ремонтов хватало на две недели работы. В последний раз ремонтировал по блату (докатился) в другом сервисе. Поставили, как сказали, нормальную плату. Отработал месяц, пока нормально. Раньше грешил на качество аппарата, теперь в растерянности, может, сервис такой? Ставили фиговые детали, чтобы я им платил? Зла не хватает.
Григорьевич, Волгоград
У меня «Ресанта 190». Работаю ею периодически уже три года. Всё нормально, нужно только при включении и выключении, как прописано в инструкции, выставлять минимальный сварочный ток. Мне несложно, и я это делаю. Еще периодически чищу от пыли. Для таких аппаратов это критично.
Виталий Сергеевич, Сергиев Посад.
У меня уже три года работает «Ресанта 220». Именно работает. За всё время менял только кулера. Но чищу регулярно, стараюсь ей не резать, в чужие руки не даю. Рядом со сваркой не работаю болгаркой или шлифмашинкой — пыли от них много, а для инверторов она очень вредна. Если нужно работать болгаркой, выношу «Ресанту». Если вам всё это в тягость, ищите другой аппарат. Есть европейцы, они не так требовательны к условиям работы, но стоят в несколько раз дороже, а еще при нашей пляшущей напруге работать не хотят. Так что, если нужен европеец, работающий в наших условиях, покупаете еще и стабилизатор. Как-то так.
Анатолий, МО
«Ресанта» — это не сварочный аппарат, а куча г…а. Мне надоело таскать его на ремонт. Он постоянно ломается. Просто перестает варить, и всё. Буду брать другой.
Александр
Купил «Ресанту САИ 190» в мае 2014-го. В ноябре она навернулась. В гарантийной мастерской сказали, что много металлической пыли, потому и сгорела. Хотели свести к негарантийному ремонту (за мой счет), но после спора отремонтировали по гарантии. Теперь я ее берегу. Но как работать будет дальше — не знаю.
Влад, Кировоград
Как видите, положительные отзывы о «Ресанта САИ» преобладают, хоть есть и негатив. Из опыта эксплуатации можно сделать некоторые выводы, касающиеся того, как сделать так, чтобы сварка работала без проблем.
Эксплуатация сварочных инверторов Ресанта
В инструкции по эксплуатации к этим сварочным аппаратам требования и рекомендации такие:
- Не использовать рядом с агрегатом болгарку, электропилы, шлифовальные и другие инструменты, при работе которыми возникает большое количество пыли.
- Не накрывать корпус во время работы: охлаждение принудительное — кулерами (вентиляторами). Если закрыть приток воздуха, аппарат перегреется и может перегореть.
- Не работать во влажных помещениях или под дождем.
- Если занесли инвертор в теплое помещение с мороза, необходимо выждать не менее двух часов, пока просохнет конденсат.
Порядок включения
Перед включением аппарата проверьте, чтобы переключатель стоял в выключенном положении. Подсоединяете силовой кабель и рабочие, включаете в розетку. Выставьте на регуляторе минимальный сварочный ток, потом нажмите на кнопку «вкл». Выключение проводится так: сначала выкручиваете на минимум, потом выключаете тумблером, а потом из сети. Если работа закончена, отсоединяете провода и укладываете их на место.
Разворачивая кабели, или пользуясь удлинителем, следите, чтобы все провода были развернуты полностью и не пересекались. Не оставляйте кабели смотанными в бухты: создается катушка индуктивности, которая негативно влияет на оборудование.
Практические рекомендации
В инверторах Ресанта САИ стоит защита от перегрева. Она автоматически отключает аппарат, когда температура приближается к критической. Но до отключения лучше не доводить. Работайте в прерывистом режиме: минут 7 варите, минуты 3-5 даете агрегату остыть. На эти промежутки выключать его не нужно.
Не нужно отключать питание и при выключении по перегреву. Просто переждите 5-7минут. Не отключайте и в том случае, если у вас в работе намечается короткий перерыв: чем реже включать оборудование, тем дольше служить оно будет. Пусковые токи, хоть и ест функция «плавного пуска», плохо влияют на такого рода оборудование. Потому отключайте инвертор, только если перерыв будет более часа.
Если хотите, чтобы Ресанта САИ работала нормально, периодически очищайте внутренности от пыли. Особенно если работали недалеко от источника пыли или после долгого простоя.
Варить нержавейку Ресантой нужно на обратной полярности.
Если соберетесь удлинять рабочие кабели, увеличивайте их диаметр, меньше будет просаживаться напряжение. Если ставите на 10 метров — сечение желательно 25мм2.
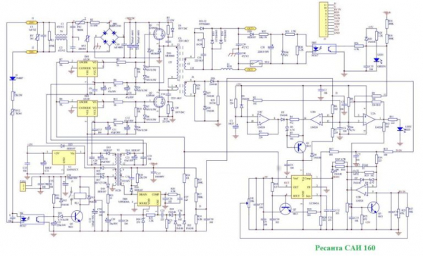
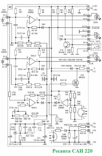
Практические советы по ремонту сварок Ресанта
Если вы имеете навык таких работ, то вам помогут схемы, выложенные ниже. Есть также несколько рекомендаций, основанных на опыте «самоделкиных».
Через полтора года работы Ресанта 220 стала отключаться по перегреву если работать на токах больше 140 А. Гарантия закончилась, полез смотреть сам. Всего-то и было, что входной кабель плохо был притянут. Он, кстати износился — работал каждый день полтора года. Кабель заменил, клеммы затянул не по-женски, и еще пропылесосил его.
Тимофей, Приморский край
Купил себе Ресанту 250 Проф. Шов держит отлично, варит мягко. Мне нравится. Вот только через месяц работы (1 кг тройки в день, но не всегда, бывало и меньше), после хлопка внутри он скончался. Отдал в ремон, прождал 45 дней. После ремонта через месяц случился пробой. Бывает, если в держаке электропровод не зажат. Ждать еще 45 дней не хотел, раскрутил сам. Там провода почти не прикручены к плате были. Только наживлены. И как сервисники смотрели? Или это они спецом? Платы кусок выгорело. Я провод к клемме припаял, прикрутил. Работает. Правда при минусовых температурах теперь индикатор показывает что-то немыслимое, но работает.
Виталий, Краснодар
Моя Ресанта САИ 220 после месяца работы тройкой перестала подавать признаки жизни. Открыл, проверил, сгорели два транзистора FGH40N60SFD. Я их нашел, купил, поменял все четыре, хоть сгорело два. Заодно заменил 12 Вт резистор на 51 Ом. Заработал, но ненадолго. Транзисторы горели через несколько включений. Видимо, попалась партия бракованная. Купил другие, поставил, работает нормально. Да. К моей 220 больше подошла схема от 250 — с мелкими несовпадениями. Что могу сказать, плата сделана нормально, дорожки не отслаиваются. Хоть это радует. Хотя детали могли бы и тестировать до того как в производство их пускать.
Анатолий, Нижний
Маски для сварки Ресанта
Работать со сваркой без маски сварщика невозможно — сразу получите ожог сетчатки, который называют «зайчиком». От повреждения инфракрасным и ультрафиолетовым излучением глаза защищают светофильтры. От летящих брызг и окалины — корпус маски. И то и другое должно быть надежным и обеспечивать максимальную защиту.
Ресанта выпускает несколько видов сварочных масок:
- МС-1 — с автоматическим светофильтром на жидких кристаллах ТСК-3201. Есть два режима: сварка и шлифовка, регулятор затемнения, которые позволяют использовать маску как для сварки, так и в качестве защитного щитка при работе болгаркой или другими подобными инструментами. Цена 1500-1800 рублей.
- МС-2 — со светофильтром TCK-4000. Регулировок три: степени затемнения, чувствительности, времени задержки (как быстро срабатывает при изменении яркости света). Ступенчатое изменение затемнения. Цена 1900-2100 рублей.
- МС-3 — светофильтр TCK-3202, регулировки такие же как в МС-2, но изменение прозрачности светофильтра плавное. Также разный диапазон регулировки у Ресанта МС-3 — 9-13DIN, у Ресанта МС-2 он 10-12DIN. Цена 2600-2800 рублей.
- МС-4 — самая дешевая (цена 1200-1400 рублей) и самая простая маска. Светофильтр ТСК-2101. Работает только при положительных температурах, даже при незначительном понижении начинает «тормозить».
Все основные технические характеристики масок сварщика Ресанта МС приведены в таблице.
И видео-отзыв о маске для сварки Ресанта МС-1.
Несколько схем сварочных инверторов:
- Сварочные работы своими руками






